Теплообменник - ТПР-04 - Новосибирск

ТПР-04

ТПР-04


заполнить опросный лист
Температура рабочих сред, ˚С
-10+150
Рабочее давление, МПа, не более
1.6
Условный диаметр патрубков (фланцев) Ду, мм
25 G 1”
Площадь поверхности теплообмена теплообменника, м2
0,16 - 2,32
Материал уплотнений
EPDM
Материал пластин
AISI 316L
Размер присоединения
G 1”
Тип присоединения
Резьба наружная ГОСТ 6357
Площадь поверхности теплообмена одной пластины, м2
0,04
Среда
Вода / Гликолевый раствор до 50%
Минимальная рабочая температура, 0С
-10
Максимальная рабочая температура, 0С
150
Условное давление Ру, МПа
1,6
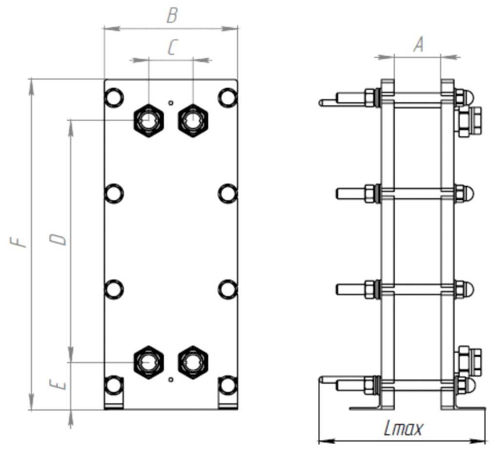
04_1.jpg               

Кол-во пластин, шт.

Габаритные размеры, мм

Площадь теплообмена, м2

Масса* нетто, кг

А

В

С

D

E

F

Lmax

2 - 26

2,85хn

210

70

381

74

520

200

0,00  - 1,01

38 - 45

27 - 46

2,85хn

210

70

381

74

520

280

1,05 - 1,85

45 - 52

47 - 60

2,85хn

210

70

381

74

520

350

1,89 - 2,44

52 - 56



порты 1-ходовой.jpg


Обозначение порта

Присоединительный размер

Назначение

Р1

Резьба внутренняя G 1 " ГОСТ 6357

Вход греющей среды (Т1)

Р2

Резьба внутренняя G 1 " ГОСТ 6357

Выход греющей среды (Т2)

R1

Резьба внутренняя G 1 " ГОСТ 6357

Выход нагреваемой среды (Т11)

R2

Резьба внутренняя G 1 " ГОСТ 6357

Вход нагреваемой среды (Т21)


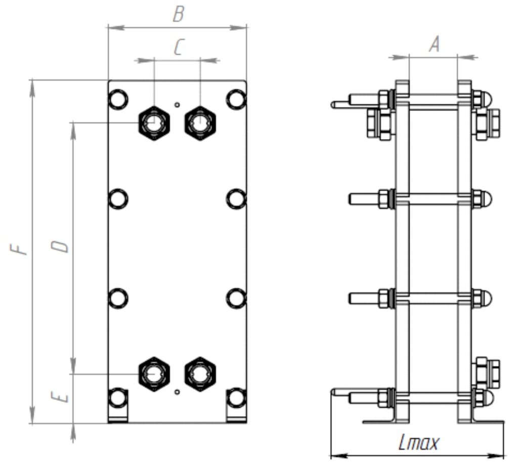
04_2.jpg                 

Кол-во пластин, шт.

Габаритные размеры, мм

Площадь теплообмена, м2

Масса* нетто, кг

А

В

С

D

E

F

Lmax

2 - 26

2,85хn

210

70

381

74

520

200

0,00  - 1,01

38 - 45

27 - 46

2,85хn

210

70

381

74

520

280

1,05 - 1,85

45 - 52

47 - 60

2,85хn

210

70

381

74

520

350

1,89 - 2,44

52 - 56



порты 2-ходовой.jpg


Обозначение порта

Присоединительный размер

Назначение

Р1

Резьба внутренняя G 1 " ГОСТ 6357

Вход греющей среды (Т1)

Р2

Резьба внутренняя G 1 " ГОСТ 6358

Вход греющей среды (Т2)

R1

Резьба внутренняя G 1 " ГОСТ 6359

Выход нагреваемой среды (Т11)

R2

Резьба внутренняя G 1 " ГОСТ 6360

Вход нагреваемой среды (Т21)

R3

 Резьба внутренняя G 1 " ГОСТ 6361 Вход нагреваемой среды (В1)

Р3

 Резьба внутренняя G 1 " ГОСТ 6362 Выход греющей среды (Т2общ.)


04_м1.jpg

Кол-во пластин, шт.

Габаритные размеры, мм

J

Н

2-26

180

105,7-174,1

27-46

180

176,95-231,1

47-60

180

233,95-271



revit.png     ТПР04SH PN16 L200 2-26.rfa         Скачать    
revit.png    ТПР04SH PN16 L280 27-46.rfa      Скачать
revit.png    ТПР04SH PN16 L350 47-60.rfa     Скачать

Вернуться в раздел